Maintenant je vais faire le schéma électrique pour câbler, le régulateur RVL480, le servomoteur 3 points SQK33 de la vanne 3 voies , la sonde extérieure QAC22, la sonde de départ chauffage QAD22 ainsi que les pompes jumelées Grunfos TPD 32-60/2.
AvertissementCe document n’est qu’une aide, un support pour les révisions des bases des sujets qu’ils traitent. Il peut y avoir des erreurs et des inexactitudes, gardez toujours ça en tête. Si vous voulez signaler des erreurs ou apporter des précisions, vous pouvez laisser un commentaire en bas de l’article. |
Note : le milieu chaufferie est réservé aux professionnels formés, car le milieu est potentiellement dangereux. Il y a un risque d’électrocution (mort par l’électricité) risque d’explosion (fuite de gaz naturel, explosion de chaudière à la mise à feu), risque d’intoxication mortelle (mort par le CO – monoxyde de carbone) et risque de brûlure grave.
Sommaire.
1 Les schémas électriques de principe du RVL480.
1.1 Le schéma électrique du courant faible.
1.2 Le schéma électrique du courant fort.
1.4 Le type d’installation 1 : régulation avec vanne mélangeuse.
2 Le schéma électrique de principe du SQK33.
3 Le schéma électrique d’un départ chauffage de base.
3.1 Le pressostat manque d’eau : la sécurité pour les pompes.
3.2 Le câblage électrique du pressostat manque d’eau.
3.3 Le schéma électrique d’un départ chauffage avec une pompe.
3.4 Le schéma électrique d’un départ chauffage avec deux pompes (pompes jumelées).
4.2 La sonde de départ chauffage QAD22.
4.3 La sonde de température extérieure QAC22.
4.5 Les pompes Grundfoss TPD 32-60/2.
0 Introduction.
Après l’article Chaufferie02-Réfection d’un départ chauffage défectueux-Pompes jumelées, vanne 3 voies, servomoteur, régulateur et sondes où j’expose le matériel que je vais utiliser, je vais parler du câblage électrique de ces matériels.
Pour pouvoir câbler ces appareils entre eux je vais avoir besoin de leurs documentations respectives et plus particulièrement la documentation du régulateur et servomoteur.
Dans les documentations techniques il y a les schémas de principes de câblage électrique.
1 Les schémas électriques de principe du RVL480.
1.1 Le schéma électrique du courant faible.
Voici le schéma électrique de principe de basse tension. C’est ici que sera raccordé le courant faible comme les sondes.
Il est important d’avoir la légende pour pouvoir s’y retrouver:
- A6 Appareil d’ambiance
- B1 Sonde de départ ou de chaudière
- B5 Sonde d’ambiance
- B7 Sonde sur le retour primaire
- B71 Sonde sur le retour secondaire
- B9 Sonde de température extérieur
- Ux Sortie de demande de chaleur
- S1 Commande à distance du régime
- S2 Commande à distance de la consigne de départ
- Y1 Servomoteur du circuit de chauffe, avec contact de limitation minimale de la course.
- * dérivation pour le blocage des paramètres du chauffage urbain
- LPB bus
Sur le bornier du courant faible, je vais juste brancher :
- La sonde de départ chauffage
- La sonde de température extérieure
- La sonde d’ambiance (si je la trouve dans le bâtiment)
1.2 Le schéma électrique du courant fort.
Voici le schéma électrique de principe du courant fort. C’est ici que sera raccordé le courant fort. La servomoteur 3 points fonctionne en 230VAC et la bobine du contacteur moteur, la bobine sera en 230VAC.
Il est important d’avoir la légende pour pouvoir s’y retrouver:
- N Neutre
- L Phase en 230VAC
- F1/F4 entrée pour Y1/K4
- Y1/K4 Ouverture de la vanne mélangeuse / enclenchement de la 1ère allure du brûleur
- F2/F5 entrée pour Y2/K5
- Y2/K5 Fermeture de la vanne mélangeuse / enclenchement de la 2e allure du brûleur
- F3 Entrée pour Q1
- Q1 pompe de chauffage / circulation
1.3 Le bornier du RVL480.
Voici le bornier de raccordement du RVL480.
On observe sur ce bornier qu’il y a 3 barrettes de raccordement :
- La barrette N pour le neutre
- La barrette Terre pour la terre
- La barrette M pour les masses (masse pour les sondes et les contacts de commutation)
1.4 Le type d’installation 1 : régulation avec vanne mélangeuse.
Comme je l’ai indiqué dans l’article Chaufferie02-Réfection d’un départ chauffage défectueux-Pompes jumelées, vanne 3 voies, servomoteur, régulateur et sondes on peut faire plusieurs choses avec un régulateur RVL480, comme contrôler une chaudière avec un brûleur 2 allures.
Dans le RVL480, 6 types d’installations sont programmés. Ici je vais utiliser le programme régulation avec vanne mélangeuse, c’est le programme numéro 1 ou type d’installation numéro 1.
- N1 qui est le régulateur RVL480
- M1 la pompe du départ chauffage
- B1 la sonde de départ chauffage
- E2 représente l’échangeur, les radiateurs, etc
- B9 qui est la sonde extérieure
B5 (la sonde d’ambiance) et B7 (la sonde de retour primaire) sont des sondes facultatives, c’est-à-dire que l’on n’est pas obligé de les utiliser.
Dans la réfection de mon départ chauffage, je n’utilise pas ces sondes même si c’est vivement recommandé, surtout la sonde d’ambiance. En tout cas en travaux neufs il faut absolument la sonde d’ambiance très importante pour l’exploitation et réglage du régulateur en période de chauffe et encore plus lorsqu’il y a du P1 (gestion de l’énergie. J’en parlerais plus tard )
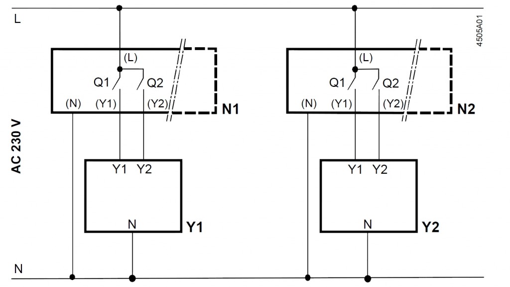
2 Le schéma électrique de principe du SQK33
Voici au niveau schéma de principe ce qu’est le SQK33.
La légende de ce schéma de principe :
- Cm1 contact de fin de course
- Cm2 contact de fin de course
- C1 contact auxiliaire ASC9.5
- N Neutre
- Y1 signal de commande OUVERTURE
- Y2 signal de commande FERMETURE
Le schéma électrique de raccordement du servomoteur SQK33.
Comme on peut le voir le câblage du SQK33 est très simple.
3 Le schéma électrique d’un départ de chauffage de base.
3.1 Le pressostat manque d’eau : la sécurité pour les pompes.
On a le schéma de principe du câblage du régulateur et du servomoteur, mais il manque un élément très important à intégrer dans le schéma électrique et qui n’est pas représenté dans le schéma de principe du régulateur c’est le pressostat manque d’eau.
Voici à quoi peut ressembler un pressostat manque d’eau.
Le pressostat manque d’eau sert à protéger les pompes de la destruction due à un manque d’eau dans le circuit.
Le réseau hydraulique d’un primaire , d’un secondaire de chauffage est pressurisé c’est-à-dire qu’il est au-dessus de la pression atmosphérique. S’il y a une fuite d’eau, une rupture de manchon antivibratoire, un vase d’expansion HS, un groupe de maintient de pression en défaut, etc… la pression dans le réseau va chuter, à partir d’une certaine pression le pressostat manque d’eau déclenche, il coupe la commande des pompes pour qu’elles s’arrêtent.
Car si une pompe tourne en dessous d’une certaine pression elle peut caviter mais s’il y a plus d’eau dans la pompe et si elle tourne ça va la détruire.
Ce petit appareil, de quelques dizaines d’euros , le pressostat manque d’eau qui est un pressostat BP, à le pouvoir d’arrêter complètement une chaufferie et quelque soit sa puissance, qu’elle fasse 50 KW ou 2MW quand il y a plus assez d’eau dans le circuit il faut absolument couper toutes les pompes ce qui doit aussi entraîner l’arrêt des brûleurs.
Les pompes suivant leurs tailles sont des produits onéreux. De plus quand vous changez une pompe le délai pour recevoir cette pompe peut prendre plusieurs jours et le délai peut même aller jusqu’à la semaine. Par exemple, pour la pompe jumelée Grundfoss TPD 32-60/2, j’ai attendu presque deux semaines, car il n’y en avait plus en France et qu’elle venait directement d’Allemagne. Il ne faut pas être pris par l’urgence. D’ailleurs plus elles sont grosses plus le délai est long.
3.2 Le câblage électrique du pressostat manque d’eau.
Il doit y avoir un pressostat manque d’eau dans la chaufferie. Il doit y avoir un pressostat manque d’eau dans chaque sous-station. Le pressostat manque d’eau doit juste couper la commande des contacteurs des pompes de chauffage. Pourquoi je dis qu’il doit juste couper la commande des pompes ?
Parce que sur le terrain on rencontre souvent n’importe quoi, par exemple :
Cas 1
Il y a un pressostat manque d’eau dans la chaufferie, mais lorsqu’on le déclenche il ne coupe rien, il renvoie juste une alarme à une GTB. Et lorsque l’on creuse un peu, on apprend que le logiciel de GTB géré le pressostat manque d’eau et comme le pc sur lequel tourne la GTB a été changé, les asservissements n’ont pas été remis. Donc on se retrouve avec une chaufferie sans sécurité sur le manque d’eau. Ça craint.
Il y a une règle de base que l’on apprend lorsque l’on fait de l’automatisme, la sécurité ne passe jamais par l’automate. (une GTB/GTC est un automate spécialisé), car si on met la sécurité sur l’automate et si l’automate plante il n’y a plus de sécurité.
Il faut créer une chaîne de sécurité positive dans laquelle on intègre le contact du pressostat manque d’eau et qui ne passe pas par l’automate.
Cas 2
Le pressostat manque d’eau coupe les pompes, mais ils coupent aussi toute la commande de l’armoire dont : l’ECS, les régulateurs, voir même jusqu’à l’éclairage interne de l’armoire.
S’il y a un STYX pour produire l’ECS (Eau Chaude Sanitaire) il ne sert à rien de couper le STYX s’il y a un manque d’eau dans le circuit de chauffage. Les deux réseaux sont hydrauliquement indépendants. Un STYX est un générateur d’eau chaude sanitaire qui fonctionne au gaz.
Par exemple dans cette chaufferie, on peut voir un STYX (à gauche) et deux chaudières au sol à droite.
Dans cette chaufferie, lorsqu’il y avait un manque d’eau, ça coupait bien les pompes, mais ça coupait aussi le STYX. Hors saison de chauffe, la tuyauterie est froide et des fuites apparaisses souvent dans de vieilles chaufferies, un manque d’eau hors saison de chauffe n’est pas grave, car le chauffage est coupé donc il ne sert à rien de faire couper la commande du STYX par le pressostat manque d’eau.
Cas 3.
Dans la sous-station, il n’y a pas de pressostat manque d’eau pour couper les pompes. On en voit assez souvent dans les veilles sous-stations.
Les sous-stations sont électriquement indépendantes de la chaufferie.
Dans cette sous-station on peut voir qu’il y a bien un pressostat manque d’eau pour protéger la pompe.
La fonction première du pressostat manque d’eau est de couper la commande des contacteurs moteurs des pompes.
3.3 Le schéma électrique d’un départ chauffage avec une pompe.
Voici le schéma électrique d’un départ chauffage avec le RVL480, la sonde extérieure, la sonde d’ambiance, le servomoteur et avec une pompe de chauffage.
Le pressostat manque d’eau est représenté au repos, c’est à dire sans eau dans la tuyauterie.
Le disjoncteur de commande est commun au régulateur, au servomoteur et au contacteur moteur. Sur ce schéma il n’y a qu’un régulateur RVL480 et donc qu’un seul départ chauffage. S’il devait y avoir plusieurs départs chauffage il serait préférable de mettre une protection pour chaque régulateur et une protection pour la commande des pompes.
C’est un peu comme dans les vidéos sur « la centralette » lorsque j’aborde le schéma électrique, chaque étage de puissance à ses propres protections, comme ça , s’il y a un problème sur la commande on ne perd qu’un étage de puissance.
Note : ce schéma peut avoir plusieurs variantes, comme rajouter le contact NO (normal) du GV2 sur la ligne KM1.
3.4 Le schéma électrique d’un départ chauffage avec deux pompes (pompes jumelées).
Sur le folio 01 il y a la puissance. Il y a les deux départs moteurs et un départ pour la commande des pompes et un autre départ pour le régulateur et le servomoteur. S’il fallait rajouter un départ chauffage il faudrait rajouter deux départs moteurs et un autre départ pour le régulateur du nouveau départ chauffage.
Le départ de la commande des pompes ne bouge pas qu’il y ait deux , quatre, ou six pompes.
Le folio 01
Sur le folio 02 il y a le régulateur du départ chauffage avec son servomoteur et ses sondes.
Le folio 02
Sur le folio 03 il y a la commande des pompes avec le pressostat manque d’eau qui coupe la commande des contacteurs s’il y a un manque d’eau. Sur cette armoire la marche ou l’arrêt des pompes se fait par un commutateur 3 positions :
- Arrêt
- Marche pompe 1
- Marche pompe 2
On remarquera que sur ce schéma la bascule des pompes se fait manuellement, ce qui sur le terrain ne représente pas de problèmes particulier.
Le folio 03
Sur le folio 04 il y a la signalisation :
- Voyant manque d’eau
- Marche pompe 1
- Marche pompe 2
- Défaut pompe 1
- Défaut pompe 2
Le folio 04
Ces schémas sont la base en chauffage avec régulateur autonome.
4 Le câblage des matériels.
4.1 Le régulateur RVL480.
Sur cette armoire je remplace un vieux régulateur par le RVL480, le souci est que je n’ai pas de schéma électrique pour cette armoire. Donc pour le moment je ne fais pas passer la commande des pompes par le régulateur, car pour faire cela je suis obligé de faire du repérage et des modifications de câblage.
4.2 La sonde de départ chauffage QAD22.
Cette sonde de départ chauffage est une sonde d’applique. C’est une sonde passive, il n’y pas de polarité et c’est une sonde LG-Ni 1000 ( Ni=Nickel et à 0°C sa valeur vaut 1000 ohms à ne pas confondre avec une Pt 1000 (P=platine et à 0°C sa valeur vaut 1000 ohms). La réponse d’une Ni 1000 et d’une Pt1000 est différente sauf à 0°C. Les sondes Ni1000 sont plus économiques.
La plage de température , de cette sonde va de -30°C à +130°C avec une constante de temps de 3 secondes.
Voici la courbe de réponse de l’élément sensible LG-Ni1000
Voici la sonde de départ chauffage fixée sur le tuyau.
La sonde de départ chauffage câblée.
La sonde de départ chauffage avec sa protection. 
4.3 La sonde de température extérieure QAC22.
La sonde de température extérieur est aussi une sonde LG-Ni1000. C’est une sonde passive. Sa constante de temps est de 14 minutes et sa plage de mesure va de -50°C à +70°C.
Voici la sonde de température extérieure.
La sonde de température extérieure fixée sur le mur et câblée.
La sonde de température extérieure avec sa protection. 
4.4 Le servomoteur SQK33.
Voici le câblage du servomoteur SQK33.
Avec un presse-étoupe ça fait beaucoup plus pro.
Pour information il faut un presse-étoupe ISO 20 sur un servomoteur SQK33.
Voici un presse-étoupe ISO20.
4.5 Les pompes Grundfoss TPD 32-60/2.
Il faut savoir lorsque vous achetez une pompe Grundfoss, Grundfoss vend ses pompes :
- Sans joints.
- Sans presse-étoupe.
Allez savoir pourquoi, mystère.
L’alimentation est triphasée 400VAC et le couplage de cette pompe se fait en étoile.
Voici les deux pompes câblées avec les presses étoupes.
Pour information le presse-étoupe que j’utilise sur la boîte de raccordement du moteur est un presse-étoupe ISO16.
5 Conclusion.
Voici le résultat au niveau du départ chauffage.
Et voici le résultat au niveau de l’armoire électrique.
Maintenant il reste à faire les vérifications de bases comme vérifier le sens de rotation des pompes et il faut entrer les réglages de base sur le RVL480.
Mais ça sera dans le prochain article…bientôt…
Abonnez-vous au blog (en haut à droite) et à la chaîne YouTube pour être tenu au courant de la publication du prochain article et des prochaines vidéos.
Tu peux me soutenir financièrement dans la production de mes articles et de mes vidéos par un don
MERCI
Me suivre sur les réseaux sociaux :
- Twitter : https://twitter.com/egenieclim
- Facebook : https://www.facebook.com/egenieclimatique
- Instagramm : https://www.instagram.com/egenieclimatique/
- Google+ : https://plus.google.com/+e-genieclimatique
- YouTube : https://www.youtube.com/e-genieclimatique
Chaufferie, par jp0065
Licence Creative Commons Paternité – Pas d’Utilisation Commerciale – Partage desConditions Initiales à l’Identique 2.0 France








